Zhejiang Sehnaider Electric Co., Ltd.
Zhejiang Sehnaider Electric Co., Ltd.
Producten
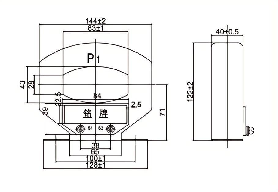
LMZJ1-0.5-80 huidige transformatoren
  • LMZJ1-0.5-80 huidige transformatorenLMZJ1-0.5-80 huidige transformatoren

LMZJ1-0.5-80 huidige transformatoren

LMZJ1-0.5-80 Stroomtransformatoren zijn precisie-ontwikkeld voor nauwkeurige meet- en beschermingstoepassingen in elektrische systemen. Met een nominaal stroombereik van 0,5-80A leveren deze transformatoren betrouwbare en precieze prestaties in verschillende industriële omgevingen.

LMZJ1-0.5-80 Current Transformers staat bekend om zijn hoge nauwkeurigheid, lage fasehoekfout en uitstekende lineariteit, waardoor de precieze meting van de huidige niveaus wordt gewaarborgd. Deze huidige transformatoren zijn ontworpen om compact en gemakkelijk te installeren te zijn, waardoor ze geschikt zijn voor een breed scala aan elektrische systeemconfiguraties. Gebouwd met hoogwaardige materialen, zijn LMZJ1-0,5-80 huidige transformatoren duurzaam en bieden ze langetermijnstabiliteit voor continue werking. Vertrouw LMZJ1-0.5-80 stroomtransformatoren voor nauwkeurige stroommeting en betrouwbare bescherming van uw elektrische systemen.


Specificatie

Nominale spanning 500V
Nominale frequentie 50Hz
Nominale primaire stroom 10a, 12.5a, 15a, 20a, 25a .., 6000a
Nominale secundaire stroom 5a; 1a
Secundaire laadvermogen
factor
0.8 (vertraging)
Nominale output 2.5VA, 5VA, 10VA, 20VA
Nauwkeurigheid 0,2; 0,2S; 0,5; 0,5s
Isolatieweerstand Isolatieweerstand van primaire wikkeling tegen secundaire wikkeling
en naar de aarde ≥20mΩ
Stroomfrequentie
Vervoerde spanning
Bestand tegen geldige waarde van primaire wikkeling naar secundaire wikkeling
en naar de aarde ≥ 3KV

Hottags: LMZJ1-0.5-80 huidige transformatoren
Stuur onderzoek
Contact informatie
Als u enig onderzoek hebt over offerte of samenwerking, stuur ons dan gerust een e -mail op River@dahuelec.com of gebruik het volgende onderzoeksformulier. Onze verkoopvertegenwoordiger neemt binnen 24 uur contact met u op. Bedankt voor uw interesse in onze producten.
X
We use cookies to offer you a better browsing experience, analyze site traffic and personalize content. By using this site, you agree to our use of cookies. Privacy Policy
Reject Accept