Zhejiang Sehnaider Electric Co., Ltd.
Zhejiang Sehnaider Electric Co., Ltd.
Producten
BH-0.66-60 huidige transformatoren
  • BH-0.66-60 huidige transformatorenBH-0.66-60 huidige transformatoren

BH-0.66-60 huidige transformatoren

De BH -0.66-60 stroomtransformatoren hanteren PC -vlam - vertragend materiaal en het magnetische geleidingsmateriaal is een gegloeide toroïdale kern om de nauwkeurigheid van het product op niveaus 0,2 en 0,5 te waarborgen. Voor ultra - hoge nauwkeurigheidsniveaus zoals 0,2S en 0,5S, kunnen alleen supergeleidende magneten voldoen aan dergelijke nauwkeurigheidsvereisten.

BH-0.66-60 Stroomtransformatoren is van toepassing op stroomsystemen met een nominale frequentie van 50Hz en een nominale spanning van 0,66 kV, 0,69 kV, 0,5 kV en lager voor elektrische energiemeting, stroommeting en relaisbescherming.


Deze huidige transformator van Dahu is voor gebruik binnenshuis, geïnstalleerd in distributiekasten en dozen. Het beschikt over een nieuw magnetisch circuitontwerp, geavanceerde compensatiemethoden, prachtige verwerkingstechnieken, veilige en betrouwbare prestaties en een klein en mooi uiterlijk.


De buitenste schaal is gemaakt van hoge - sterkte vlam - achterlijk pc met een volledig - ingesloten structuur en een vlam - vertraging van V1. De interne kern is gemaakt van hoogwaardige graan - georiënteerde siliciumstaalplaten. De draaddiameter is strikt geselecteerd volgens de economische huidige dichtheid om minder temperatuurstijging te garanderen. Met geavanceerde en betrouwbare testapparatuur zorgt het voor naleving van kwaliteitsnormen.


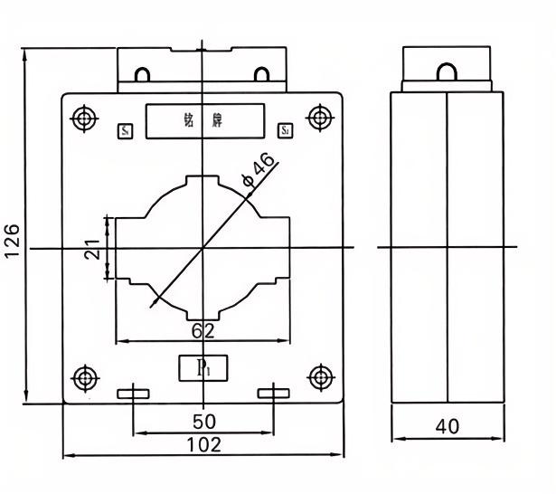
Het heeft vierkante en ronde gatentypen, geschikt voor enkele - wortel- of meervoudige - wortelkabelpenetratie of enkele - wortelbusbarpenetratie. Het heeft een complete productreeks, een breed scala aan specificaties en een breed applicatiebereik.


Toepassingen

Energiemonitoring en meting

Circuitbescherming en relaiscoördinatie

Industriële automatisering en slimme rastersystemen

Technische specificaties

Nominale spanning: 0,66 kV

Frequentie: 50/60Hz

Nauwkeurigheidsklasse: 0,5, 1,0 (aanpasbaar)

Isolatieniveau: 3KV/min


Belangrijkste technische parameters

Rated primair
Huidige (a)
Nauwkeurigheid
klassen
combinatie
Nominale secundaire uitgang (VA) 1S Thermal Stroom (KA) Rated Dynamic Stroom (KA)
0,2 (s) 0.2 0.5 10p10
5-40 0.2/10p10
0,5/10p10
/ 10 10 15 90lin 220
5-40 100 lin 250
5-40 20 50
5-40
5-40 36 90
10
5-40 45 100
5-40 56 100
5-40
5-40 80 110
5-40 100 110


Hottags: BH-0.66-60 huidige transformatoren
Stuur onderzoek
Contact informatie
Als u enig onderzoek hebt over offerte of samenwerking, stuur ons dan gerust een e -mail op River@dahuelec.com of gebruik het volgende onderzoeksformulier. Onze verkoopvertegenwoordiger neemt binnen 24 uur contact met u op. Bedankt voor uw interesse in onze producten.
X
We use cookies to offer you a better browsing experience, analyze site traffic and personalize content. By using this site, you agree to our use of cookies. Privacy Policy
Reject Accept