Zhejiang Sehnaider Electric Co., Ltd.
Zhejiang Sehnaider Electric Co., Ltd.
Producten
BH-0.66-50 huidige transformatoren
  • BH-0.66-50 huidige transformatorenBH-0.66-50 huidige transformatoren

BH-0.66-50 huidige transformatoren

De BH-0.66-50 stroomtransformatoren zijn precisie-instrumenten die zijn ontworpen voor nauwkeurige meting en monitoring van elektrische stromen in verschillende industriële toepassingen. Met een nominale stroom van 50A en een transformatieverhouding van 0,66, bieden deze transformatoren betrouwbare en precieze stroommeetmogelijkheden.

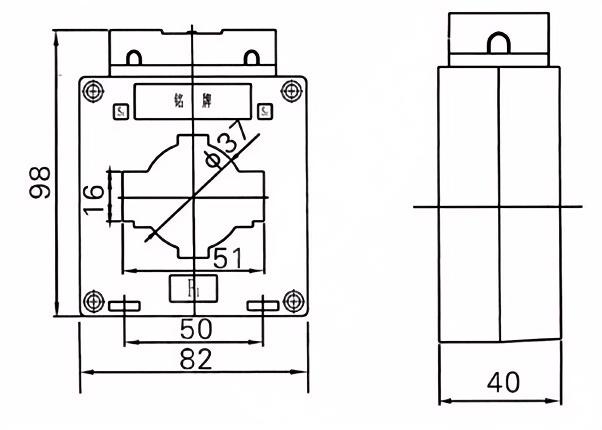
Binnen epoxy hars stroomtransformator of binnen plastic behuizing stroomtransformator

• Eenfase, twee fase of drie fase.

• Nominale spanning: 0,66 kV

• Meetklasse voor CT: 0,2S, 0,2,0,5, 0,5s

• Standaard: IEC61869-2

• Type naam: BH-0.66-50

Deze stroomstroomtransformator binnenshuis wordt gebruikt in 0,66 kV, 0,75 kV. Power System, voor het meten en bescherming.

Het is gebruikt in cabine switchgear of in bay-geïnstalleerde schakelstations.

De BH-0,66-50 stroomtransformatoren is gemaakt van hoge temperatuur binnen epoxyhars, amorfe legeringskern voor meting en hoge kwaliteit binnenkern voor bescherming, primair en secundair gebruik zuiver elektrolytisch koper.


Toepassingen:

Power Distribution Systems

Energiebeheersystemen

Monitoring van industriële apparatuur

Hernieuwbare energiesystemen


1. Premium materialen

Hoogwaardige kernen: precisie-gelamineerde siliciumstaal of nanokristallijne kernen voor minimale verliezen en hoge lineariteit.  

Robuuste isolatie: Epoxy-harsontwerpen zorgen voor langetermijnstabiliteit in harde omgevingen.  


2. Superieure prestaties

Nauwkeurigheid: Klasse 0,2/0,5 voor meting, 5p/10p voor bescherming, compliant bij IEC 61869, 60044, IEEE en ANSI -normen.  

Wijd bereik: ondersteunt 0,6 kV-36KV-systemen, met aangepaste verhoudingen/frequentie (50/60Hz).  

Lage thermische stijging: geoptimaliseerd ontwerp vermindert oververhitting, waardoor de levensduur wordt verlengd.  

EMC -immuniteit: schilden tegen elektromagnetische interferentie voor betrouwbare signalen.  


3. Service & ondersteuning

Aangepaste oplossingen: op maat gemaakte verhoudingen, maten of connectoren (bijv. DIN -rail, IEC -terminals).  

Wereldwijde certificeringen: IEC-, CE-, ISO- en lokale rastergoedkeuringen.  

Levenslang technische hulp: 24/7 ondersteuning, installatiebegeleiding en aanbod van reserveonderdelen.  

Snelle levering: standaardproducten in 2-4 weken; versnelde opties voor dringende behoeften.  


Belangrijkste technische parameters

Rated primair
Huidige (a)
Nauwkeurigheid
klassen
combinatie
Nominale secundaire uitgang (VA) 1S Thermal Stroom (KA) Rated Dynamic Stroom (KA)
0,2 (s) 0.2 0.5 10p10
5-40 0.2/10p10
0,5/10p10
/ 10 10 15 90lin 220
5-40 100 lin 250
5-40 20 50
5-40
5-40 36 90
10
5-40 45 100
5-40 56 100
5-40
5-40 80 110
5-40 100 110




Hottags: BH-0.66-50 huidige transformatoren
Stuur onderzoek
Contact informatie
Als u enig onderzoek hebt over offerte of samenwerking, stuur ons dan gerust een e -mail op River@dahuelec.com of gebruik het volgende onderzoeksformulier. Onze verkoopvertegenwoordiger neemt binnen 24 uur contact met u op. Bedankt voor uw interesse in onze producten.
X
We gebruiken cookies om u een betere browse-ervaring te bieden, het siteverkeer te analyseren en de inhoud te personaliseren. Door deze site te gebruiken, gaat u akkoord met ons gebruik van cookies. Privacybeleid
Afwijzen Accepteren